
Å·ÀøÓѹ¤³ÌÌ¿£¨Çൺ£©ÓÐÏÞ¹«Ë¾£¬Î»ÓÚÇൺ½ºÖÝÊи£Öݱ±Â·£¬ÏµÌìÏÂÖøÃûÌ¿ºÚÖÆÔìÆóÒµ¡¢ÌØÖÖÌ¿ºÚÁìÓòÈ«Çò×î´óµÄ¹©Ó¦ÉÌÅ·ÀøÂ¡(ORION£©¼¯ÍÅÔÚ»ªÈ«×Ê×Ó¹«Ë¾¡£½ÓÄɵ¹úÏȽø×°±¸¼°¹¤ÒÕÊÖÒÕÉú²úÌ¿ºÚ£¬²úÆ·´¦ÓÚ¹ú¼ÊÁìÏÈְλ¡£
01 н¨ROĤ·´ÉøÍ¸ÏµÍ³ÏîÄ¿
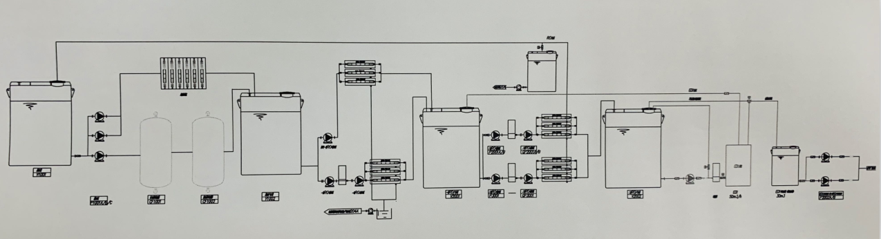
Å·ÀøÓѹ¤³ÌÌ¿£¨Çൺ£©ÓÐÏÞ¹«Ë¾Ô½ÓÄɹŰåÒõÑô´²´¦Öóͷ£¹¤ÒÕ£¬ÍâµØ×ÔÀ´Ë®Ñκ¬Á¿¼°¼î¶È¸ß£¬ÒõÑôÊ÷Ö¬Ëá¼îÏûºÄ´ó£¬ÔÙÉúÓÃË®Á¿´ó£¬²úˮˮÖÊÎȹÌÐÔÂԲΪ°ü¹ÜÉú²ú¹¤ÒÕÓÃˮҪÇ󣬽ÓÄÉROĤ´¦Öóͷ£¹¤ÒÕ²¢ÔöÌíŨˮ»ØÓõ¥Î»Ìæ»»¹Å°åÊ÷Ö¬¹¤ÒÕ¡£
·´ÉøÍ¸Òà³ÆÄæÉøÍ¸£¨RO£©£¬ÊÇÓÃÒ»¶¨µÄѹÁ¦Ê¹ÈÜÒºÖеÄÈܼÁͨ¹ý·´ÉøÍ¸Ä¤£¨»ò³Æ°ë͸Ĥ£©ÊèÉ¢³öÀ´¡£ÓÉÓÚËüºÍ×ÔÈ»ÉøÍ¸µÄÆ«ÏòÏà·´£¬¹Ê³Îï´ÉøÍ¸¡£Æ¾Ö¤ÖÖÖÖÎïÁϵIJî±ðÉøÍ¸Ñ¹£¬¾Í¿ÉÒÔʹ´óÓÚÉøÍ¸Ñ¹µÄ·´ÉøÍ¸·¨µÖ´ïÊèÉ¢¡¢ÌáÈ¡¡¢´¿»¯ºÍŨËõµÄÄ¿µÄ¡£


bifa必发»·±£ÔÚ½¨ÉèÀú³ÌÖжÔн¨µÄROĤϵͳºÍŨˮ½ÓÄÉROĤϵͳģ¿é»¯Éè¼Æ£¬Õ¼µØÐ¡£¬×Ô¶¯»¯¿ØÖÆË®Æ½¸ß£¬ÊµÏÖÎÞÈËÖµÊØ£¬´ó´óïÔÌÁËÔÒõÑô´²Ëá¼îÏûºÄÁ¿´ó£¬ÔËÐÐÖÎÀíÖØ´óµÄ״̬¡£ÇÒ²úˮˮÖÊÎȹ̣¬×ÜË®½ÓÄÉÂʵִï80%ÒÔÉÏ£¬Ò»Ñùƽ³£ÔËÐб¾Ç®²»µ½ÔϵͳµÄ50%¡£



Å·ÀøÓѹ¤³ÌÌ¿£¨Çൺ£©ÓÐÏÞ¹«Ë¾
н¨ROĤϵͳÏîÄ¿ÊÖÒÕÒªÇó
н¨¶þ¼¶ROĤ²úˮϵͳ²úË®ÄÜÁ¦Îª1000m3/d£»ROĤϵͳ×ÜÊÕÂÊ¡Ý80%£¬ÍÑÑÎÂÊ¡Ý99.5%£»²úË®µçµ¼ÂʨQ5us/cm£»
ÏîÄ¿ÖÜÆÚ´Ó2020Äê4ÔÂ10ÈÕÖÁ2020Äê6ÔÂ10ÈÕ£¬bifa必发»·±£Íê³Éн¨ROϵͳµÄ¹©»õ¡¢×°Öᢵ÷ÊÔ¼°ÅàѵµÈÊÂÇ飬µÖ´ïÌõÔ¼¼°ÊÖÒÕÐÒéÒªÇ󣬲¢ÔÚͬÄê9Ô½»¸¶ÒµÖ÷ÑéÊÕʹÓá£
2020Äê11Ô£¬Å·ÀøÓѹ¤³ÌÌ¿£¨Çൺ£©ÓÐÏÞ¹«Ë¾12MWÆûÂÖ»ú×éʹÓÃÉú²úÎ²ÆøµÄÓàÈÈ·¢µç²¢Íø·¢µçÏîÄ¿ÉÏÂí£¬ÓàÈÈ·¢µç²¢Íø·¢µçÏîÄ¿²»ÔöÌíÈκεÄȼÁÏÏûºÄ£¬ÊÇÍêÈ«µÄÂÌÉ«ÄÜÔ´£¬Ï൱ÓÚÿÄêïÔÌú̿µÄÏûºÄÁ¿1.5Íò¶Ö£¬ïÔÌÎÂÊÒÆøÌåµÄÅŷŽü4Íò¶Ö¡£´ó´óÌáÉýÁË·¢µçºÍÄÜÔ´½ÓÄÉЧÂÊÒÔ¼°Çå¾²ÔËÐÐˮƽ£¬Ã¿ÄêÔ¤¼Æ¿É¶à½ÓÄÉÄÜÔ´7500ÍòǧÍßʱ¡£bifa必发¹«Ë¾¶Ôɽ¶«Å·ÀøÓÑÓàÈȽÓÄÉ»ú·¢µçÏîÄ¿ÅäÌ×»¯Ë®ÉèÊ©¾ÙÐиĽ¨ÌáÉý£¬ÔÚ1000m3/d¶þ¼¶ROĤ´¿Ë®ÏµÍ³»ù´¡ÉÏÐÂÔöÁËEDIµçÍÑÑÎ×°Öã¬Ìæ»»ÔÓл촲ϵͳ£¬Îªµç³§ÌṩÎȹÌÇÒÓÅÖʹøÂ¯²¹¸øË®£¬ÌáÉýÆóÒµ¡°Çå½àÉú²ú¡¢ÂÌÉ«»·±£¡±µÄÏȽøÀíÄî¡£Éè¼Æ²úË®Á¿50m3/h£¬²úË®µçµ¼ÂÊ¡Ü0.2¦ÌS/cm£¬×°±¸½¨³Éºó´ó´ó½ÚÔ¼Á˻촲ÔÙÉúʱµÄËá¼îÒ©¼ÁÁ¿£¬ÇÒ²»±£´æÍ£»úÔÙÉú£¬ÊµÏÖÒ»Á¬µçÍÑÑΣ¬²¢ÔÚϵͳ×Ô¶¯»¯Ô¤ÁôDCSϵͳ½Ó¿Ú£¬ÌáÉýÖÎÀíˮƽ¡£
EDIË®´¦Öóͷ£Á÷³Ìͼ ¡ý

EDIµ¥×éÄ£¿é²ÎÊý ¡ý

EDI£¨Electrodeionization£¬Ò»Á¬µçɨ³ýÑÎÊÖÒÕ£©£¬ÊÇÒ»ÖÖ½«Àë×Ó½»Á÷ÊÖÒÕ¡¢Àë×Ó½»Á÷ĤÊÖÒÕºÍÀë×ÓµçǨáãÊÖÒÕÏàÁ¬ÏµµÄ´¿Ë®ÖÆÔìÊÖÒÕ¡£ËüÇÉÃîµÄ½«µçÉøÎöºÍÀë×Ó½»Á÷ÊÖÒÕÏàÁ¬Ïµ£¬Ê¹ÓÃÁ½Í·µç¼«¸ßѹʹˮÖдøµçÀë×ÓÒÆ¶¯£¬²¢ÅäºÏÀë×Ó½»Á÷Ê÷Ö¬¼°Ñ¡ÔñÐÔÊ÷֬ĤÒÔ¼ÓËÙÀë×ÓÒÆ¶¯È¥³ý£¬´Ó¶øµÖ´ïË®´¿»¯µÄÄ¿µÄ¡£

EDIÄ£¿é³µ¼äÔ¤ÖÆ£¬ÏÖ³¡¾ÍλºóѸËÙͶÈëÔËÐС£EDIÕûÌ弯³É×°Ö㬰üÀ¨10¸öEDIĤ¶Ñ¡¢Àο¿Ö§¼ÜÒÔ¼°½øË®£¬µË®¡¢Å¨Ë®¡¢CIPϴ媹Ü·£¬°²ÅŽô´ÕÑŹۣ¬±ãÓÚ²Ù×÷¡£

EDIÈýάÉè¼Æ¼°×°±¸Êµ¾°Í¼ ¡ü
ÏîÄ¿ÖÜÆÚ´Ó2021Äê2ÔÂ18ÈÕÖÁ2021Äê4ÔÂ30ÈÕ£¬bifa必发»·±£Íê³ÉÅ·ÀøÓÑÏîÄ¿¹©»õ³ÉÌ×EDI×°±¸¼°µ÷ÊÔ¡¢ÅàѵµÈÊÂÇ飬²¢ÔÚ½ñÄê6Ô½»¸¶ÑéÊÕ¡£

¡°Á¢Òì¡¢ÏàÖú¡¢ÍÆÐС¢¹²Ó®¡±£¡bifa必发½«È«ÇòÁ¢ÒìË®´¦Öóͷ£ÊÖÒÕÓë¿Í»§ÂÌÉ«Éú²úÐèÇóÓÐÓÃÁ¬Ïµ£¬ÎªÂÌÉ«¹¤³§±£¼Ý»¤º½¡£